伺(sì)服電機適配(pèi)
步(bù)進(jìn)電機適配
行星減速機型號大全
中空旋(xuán)轉平台
精密直(zhí)角行星換向器
直線模(mó)組
關節電機
首頁 > 產品中心> 行星減速機(jī)型號(hào)大全(quán)
首頁 > 產品中心> 行星減速機(jī)型(xíng)號大(dà)全
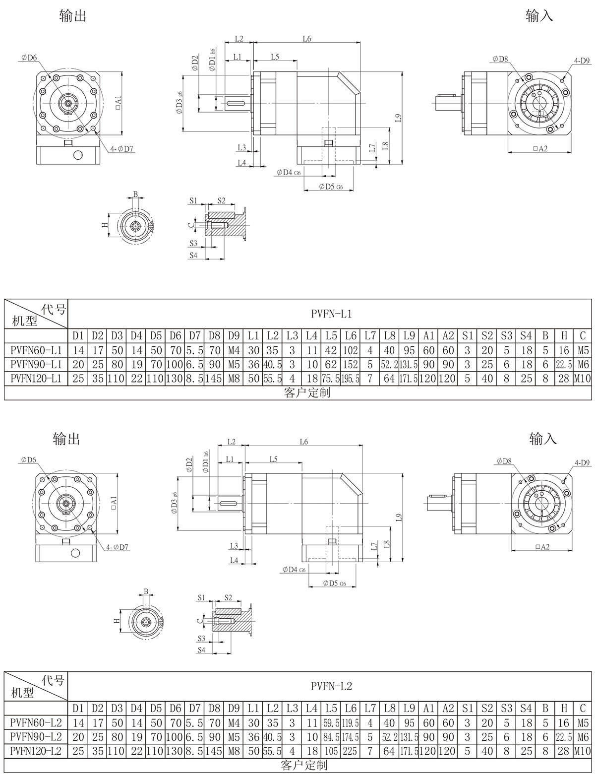
適配(pèi)伺服電機及步進電機
1、帶有錐齒換向機構(gòu),可實現直角(jiǎo)輸出。
2、設計簡潔,性能可靠,極具性價比(bǐ)。
3、錐齒副滲碳處理,硬度達HRC58,耐磨性優。
速比(bǐ)範圍:3-100
精度範圍:8-16弧分
東莞基地:廣東省東莞市黃江(jiāng)鎮(zhèn)閩泰路1號愛合發工業科技園
QQ號碼:2853006285
聯係電話:400-660-1918
Copyright © 一起草 www.17c.com智能傳動(廣東)有限(xiàn)公司 粵ICP備15087361號 | 網站地圖
全網營銷服務商:創(chuàng)同盟
東莞基地(dì):黃江鎮閩泰路(lù)1號101室
Copyright © 一起草 www.17c.com智能傳動(廣東)有限公司 粵ICP備15087361號
全網(wǎng)營銷服務商:創同盟
掃描(miáo)二維碼