1、工作物可直接鎖固,旋轉盤麵可直接鎖固工(gōng)作(zuò)物,提升工件裝(zhuāng)載之(zhī)方便性。
2、配線方便,此旋轉(zhuǎn)平台(tái)為中空式設計,無論是配線或(huò)配管均方便。
3、高精度,定位精度小於1arcmin,重複精度可達±5arcsec。
4、運轉(zhuǎn)動作平穩,盤麵轉動平穩、順暢,且定位快速。
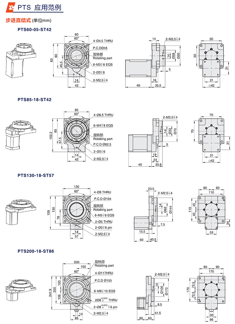
速比範圍(wéi):60/85/130/200
馬達範圍:42/57/86(步進電機)



掃描二維碼